Questões de Concurso
Filtrar
34 Questões de concurso encontradas
Página 6 de 7
Questões por página:
Questões por página:
Concurso:
TRF - 2ª REGIÃO
Disciplina:
Engenharia Eletrônica
Um sistema de controle eletropneumático utiliza a válvula representada abaixo: 
Trata-se de uma válvula eletropneumática de
Concurso:
TRT - 23ª Região (MT)
Disciplina:
Engenharia Eletrônica
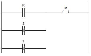
Considere o trecho de programa em LADDER apresentado abaixo.

Ele representa a expressão lógica
Concurso:
TRT - 8ª Região (PA e AP)
Disciplina:
Engenharia Eletrônica
A figura abaixo apresenta um diagrama em linguagem LADDER:
A expressão lógica que o representa é:
Concurso:
TRT - 8ª Região (PA e AP)
Disciplina:
Engenharia Eletrônica
No CLP, uma placa de entrada analógica de 0 a 10 Vcc e 8 bits tem resolução, aproximadamente, igual a
Concurso:
TRT - 8ª Região (PA e AP)
Disciplina:
Engenharia Eletrônica
No CLP, em linguagem LADDER, o contato selo e a instrução set podem ser utilizados para manter uma saída energizada