Questões de Concurso
Filtrar
61 Questões de concurso encontradas
Página 6 de 13
Questões por página:
Questões por página:
Concurso:
CBM-MG
Disciplina:
Eletricidade
O proprietário de um veículo trocou um minifusível do tipo blade de cor cinza por outro de cor amarela. Após essa operação, é CORRETO afirmar que:
Concurso:
CBM-MG
Disciplina:
Eletricidade
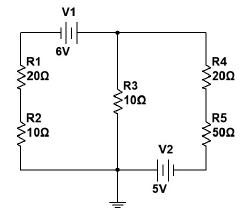
Observe o circuito a seguir.

Com relação a esse circuito, é CORRETO afirmar:
Concurso:
CBM-MG
Disciplina:
Eletricidade
Os interruptores, também conhecidos por switch, apresentam duas classes: touch switch e hidden switch.
Assim sendo, assinale a alternativa em que se exemplificam interruptores da classe touch switch.
Concurso:
CBM-MG
Disciplina:
Eletricidade
Observe o circuito a seguir.

Concurso:
CBM-MG
Disciplina:
Eletricidade
Analise o diagrama fasorial a seguir.
