Questões de Concurso
Filtrar
49 Questões de concurso encontradas
Página 7 de 10
Questões por página:
Questões por página:
Concurso:
Prefeitura de Juiz de Fora - MG
Disciplina:
Eletrotécnica
De acordo com os conceitos relativos aos autotransformadores, assinale a alternativa correta.
Concurso:
Prefeitura de Juiz de Fora - MG
Disciplina:
Eletrotécnica
O projeto de um transformador de força analisado por um técnico apresenta as seguintes características: tensão do primário = 220 V, tensão do secundário = 24V, para alimentar carga resistiva consumindo corrente de 3A, em 60 Hz. O técnico deve utilizar chapas de aço-silício para executar a fabricação do transformador, sabendo-se que a área de seção transversal do cobre enrolado seria de 10 cm² (de acordo com o projeto) e a área da janela do núcleo do transformador é de 37,5 cm² (de acordo com as chapas aço-silício disponíveis). Conforme as definições de Transformadores de Força e os dados fornecidos, assinale a alternativa correta.
Concurso:
Prefeitura de Juiz de Fora - MG
Disciplina:
Eletrotécnica
Um técnico eletrotécnico, ao analisar uma instalação elétrica, deparou-se com um dispositivo a corrente diferencial-residual (DR) e depende do conhecimento de seu funcionamento para inferir sobre a correta operação apresentada pelo dispositivo. De acordo com os conceitos de dispositivos de proteção, assinale a alternativa correta.
Concurso:
Prefeitura de Juiz de Fora - MG
Disciplina:
Eletrotécnica
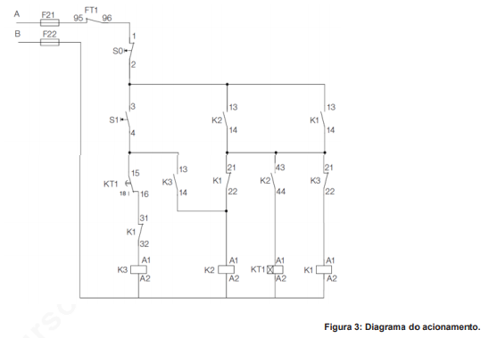
Um técnico eletrotécnico deve ser capaz de analisar e manter circuitos de comando de máquinas elétricas. De acordo com o diagrama da Figura 3, assinale a alternativa correta em relação ao tema circuitos de comando.


Concurso:
Prefeitura de Juiz de Fora - MG
Disciplina:
Eletrotécnica
Um técnico em eletrotécnica, ao analisar o sinal da Figura 2, proveniente da captura da tela de um osciloscópio com dois canais, deve inferir acerca de suas características para manutenção de um circuito. Dadas as informações para os sinais da Figura 2: segundos/divisão = 5000 ms, volts/divisão: canal 1: 200 mV/div, canal 2: 2,0V/div e frequência de amostragem = 2,0 MSa/s e de acordo com as definições de osciloscópios para a Figura 2, assinale a alternativa correta. 
