Questões de Concurso
Filtrar
50 Questões de concurso encontradas
Página 1 de 10
Questões por página:
Questões por página:
Disciplina:
Engenharia Mecânica
Um fluido incompressível escoa em um tubo horizontal, com duas seções de diferentes diâmetros. No ponto A, a área de seção transversal do tubo é 20 mm2, a velocidade do fluido é de 3 m/s e a pressão é de 200 kPa. No ponto B, a área do tubo é reduzida para 12 mm2 . Considere que não há perdas de energia no sistema. Para as condições estabelecidas, a pressão do fluido no ponto B é igual a
Disciplina:
Física
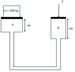
No sistema hidráulico de vasos comunicantes mostrado na figura abaixo, o cilindro A (altura 4h) tem um volume duas vezes maior que o cilindro B (altura 6h). Considere a aceleração da gravidade g = 10 m/s2 . A força F aplicada no êmbolo do cilindro B, para que o sistema esteja em equilíbrio, é igual a
Disciplina:
Engenharia Mecânica
Considere as seguintes afirmativas sobre válvulas utilizadas em sistemas pneumáticos:
I. Válvulas de alívio de pressão protegem o sistema contra sobrepressão, liberando o excesso de ar;
II. Válvulas de retenção permitem o fluxo de ar em apenas uma direção, evitando o retorno do fluido;
III. Válvulas reguladoras de fluxo controlam a direção do fluxo de ar no sistema;
IV. Válvulas direcionais 4/2 vias podem controlar cilindros de dupla ação ao alternar o fluxo de ar entre as duas câmaras do pistão;
As afirmativas corretas são
I. Válvulas de alívio de pressão protegem o sistema contra sobrepressão, liberando o excesso de ar;
II. Válvulas de retenção permitem o fluxo de ar em apenas uma direção, evitando o retorno do fluido;
III. Válvulas reguladoras de fluxo controlam a direção do fluxo de ar no sistema;
IV. Válvulas direcionais 4/2 vias podem controlar cilindros de dupla ação ao alternar o fluxo de ar entre as duas câmaras do pistão;
As afirmativas corretas são
Disciplina:
Engenharia Mecânica
Uma máquina de tração eletromecânica possui um conjunto moto-redutor acoplado a um parafuso de potência, com rosca de 2 mm de passo para aplicação da carga. O redutor é constituído por um par de engrenagens, sendo que a engrenagem acoplada ao rotor do motor tem 20 vezes o diâmetro da engrenagem acoplada ao parafuso de potência. Sabendo que o torque do motor é de 20 N.m e sua rotação é de 300 rpm, o torque, a velocidade de rotação do parafuso de potência e sua velocidade de avanço na direção axial para aplicação da carga são, respectivamente,
Disciplina:
Engenharia Mecânica
Uma máquina utiliza um sistema de transmissão por correias e polias para transferir potência entre dois eixos. A polia motora tem um diâmetro de 160 mm e gira a uma velocidade de 1200 rpm. A polia movida, conectada por uma correia, tem um diâmetro de 480 mm. Sabendo que a potência transmitida pela polia motora é de 5 kW (despreze perdas) e, admitindo que a velocidade linear da correia é 10 m/s (valor arredondado), a rotação da polia movida e a força tangencial atuante na polia motora são, respectivamente,