Questões do concurso:
UNILAB - Universidade da Integração Internacional da Lusofonia Afro-Brasileira - 2019 - FCPC - 2019 - Unilab - Técnico de Laboratório - Física
limpar filtros
50 Questões de concurso encontradas
Página 2 de 10
Questões por página:
Questões por página:
Disciplina:
Mecânica
O nônio de um paquímetro mede 49 mm e está dividido em 50 partes iguais. Podemos afirmar que a sensibilidade do paquímetro é:
Disciplina:
Física
O gráfico a seguir mostra a intensidade da corrente elétrica em um resistor em função da diferença de potencial aplicada.
Podemos afirmar:
Podemos afirmar:
Disciplina:
Física
Uma carga q1 está fixada em A. Uma segunda carga q2 é lançada em direção à carga q1 se aproximando desta e depois se afastando. Podemos afirmar:


Disciplina:
Física
Três resistores idênticos são associados, como mostra a figura.
Podemos afirmar que a resistência equivalente entre os pontos A e C é:
Disciplina:
Física
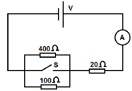
Considere o circuito elétrico da figura a seguir. Quando a chave S está fechada, o amperímetro indica uma corrente elétrica de 1 A. Que corrente elétrica o amperímetro indicará se a chave S estiver desligada?

