60 Questões de concurso encontradas                
                
                
                  Página 5 de 12                
                
                      Questões por página:
    
                    
                
              
              
            
            A Figura abaixo mostra parcialmente o projeto elétrico de uma instalação elétrica residencial.
Os pontos de luz da sala são acionados por

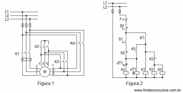
Na Figura 1 é mostrado o diagrama do circuito de acionamento de um motor de indução trifásico, e na Figura 2 é mostrado o esquema funcional de comando desse circuito. 
O tipo de acionamento desse motor é conhecido como partida
A Figura abaixo apresenta curvas tempo de fusão x corrente de fusíveis tipo D.
Deseja-se dimensionar um fusível do tipo D, para proteger contra curto-circuito o circuito que alimenta um motor de indução trifásico. A corrente nominal desse motor é igual a 25 A, e a relação entre a corrente de partida direta e a corrente nominal é igual a 8.
 Considerando o fator de multiplicação unitário, sabendo-se que o tempo de partida do motor é igual a 4 segundos, e de acordo com as curvas apresentadas na Figura acima, o valor mínimo, em ampère, da corrente nominal do fusível é
Se o escorregamento do rotor é de 5%, quando o motor opera em plena carga, então, o valor, em r.p.m, da velocidade do eixo do motor em plena carga é
Quando essas bobinas forem ligadas em triângulo, o valor aproximado, em volts, da tensão sobre cada uma delas será
Dado
√3= 1,73