70 Questões de concurso encontradas
Página 8 de 14
Questões por página:
A Figura abaixo mostra um diagrama de fluxo de sinal que representa as equações simultâneas que descrevem um sistema de controle.

Sabendo-se que K é uma constante, qual é a função de transferência H(s) = O(s) / I(s) representada por esse diagrama?
Esse worm se disseminava através de mídias removíveis do tipo pen-drive e somente naqueles computadores que executavam o sistema operacional Windows. Após a infecção, o worm verificava se o equipamento fazia parte de uma planta do sistema SCADA e, em caso afirmativo, alterava uma biblioteca dll do sistema que, mais tarde, danificaria as centrífugas-alvo.
Considerando-se as informações descritas acima, esse worm recebeu o nome de
Os polos, representados por (x), e os zeros, representados por (o), de uma função de transferência podem ser distribuídos em um mapeamento chamado de diagrama do lugar das raízes. O eixo horizontal representa o eixo real, e o vertical, o imaginário. A Figura abaixo mostra um diagrama onde estão localizados um zero e quatro polos da função de transferência de um dado sistema de controle.

Qual é a função de transferência H(s) que representa o sistema de controle investigado?
O critério de estabilidade de Routh é determinado em função das raízes da equação característica da equação diferencial que rege o sistema e que representa os polos da função de transferência.

Assim, dada a equação característica, representada pelo polinômio p(s) =2s3 +2s2 +3s+6, verifica-se que, pelo critério da estabilidade, o sistema é
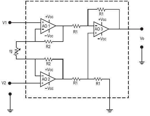
A Figura abaixo contém no interior do quadrilátero tracejado um circuito integrado (CI) especial, composto de três amplificadores operacionais (AO 1, AO 2, AO 3), que apresenta algumas das características que o tornam um amplificador dedicado para instrumentação.

Quando comparado a um circuito am- plificador operacional de uso corrente, algumas características podem ser destacadas, entre as quais a tensão de OFFSET de entrada muito baixa, a alta rejeição de modo comum, o ganho de malha aberta extremamente alto, a impedância de saída muito baixa e a impedância de entrada alta. Em alguns desses CI dedicados à instrumentação, certos parâmetros não estão limitados apenas às suas características intrínsecas, podendo ser ajustados ex- ternamente, como é o caso do ganho de malha fechada, controlado por um resistor de precisão (rg) também mostrado na Figura.
Sabendo-se que R1= 10 k Ω, R2=100 k Ω, e que rg foi ajustado para 1 kΩ, , qual é o valor da tensão de saída Vo, em volts, quando V2=1,001 V e V1=1,000 V ?