Questões da prova:
FCC - 2011 - TRF - 2ª REGIÃO - Analista Judiciário - Engenharia Eletrônica
limpar filtros
70 Questões de concurso encontradas
Página 5 de 14
Questões por página:
Questões por página:
Concurso:
TRF - 2ª REGIÃO
Disciplina:
Engenharia Eletrônica
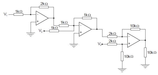
Analise o circuito abaixo:

Sendo V1 = V3 = 0,5 V e V2 = -0,5 V, a tensão de saída vale:
Concurso:
TRF - 2ª REGIÃO
Disciplina:
Engenharia Eletrônica
A figura abaixo corresponde ao diagrama em blocos de um sistema de controle:

A sua função de transferência é dada por:
Concurso:
TRF - 2ª REGIÃO
Disciplina:
Engenharia Eletrônica
Para a distribuição dos sistemas de CFTV pode-se utilizar cabo RG59, que é do tipo
Concurso:
TRF - 2ª REGIÃO
Disciplina:
Engenharia Eletrônica
Em um controlador lógico programável, um recurso utilizado nas entradas e saídas para eliminar ruídos elétricos e aumentar a segurança do sistema é
Concurso:
TRF - 2ª REGIÃO
Disciplina:
Engenharia Eletrônica
São circuitos integrados lineares comerciais que funcionam como reguladores de tensão: