60 Questões de concurso encontradas
Página 5 de 12
Questões por página:

A figura acima mostra, parcialmente, a conexão de um banco de resistores, de 220 V, à rede de distribuição de 2.200 V através de um transformador trifásico.
De acordo com os dados apresentados na figura, o valor, em ohms, da resistência equivalente por fase, no lado de alta tensão, é (A) 100
No primeiro estágio do processo de partida, a tensão aproximada, em volts, aplicada às bobinas do motor é

No circuito da figura acima, as fontes são ideais. Quando uma determinada carga resistiva é conectada entre os terminais x e y, é transferida a máxima potência possível do circuito para essa carga. Para que isso ocorra, o valor da resistência da carga, em ohms, é

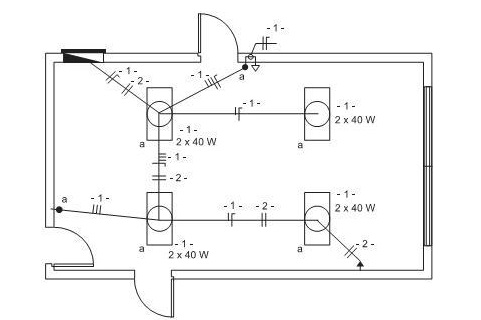
A figura acima mostra, parcialmente, o diagrama elétrico de uma instalação. A tensão de fornecimento dessa instalação é de 220 V fase-fase.
Com relação ao diagrama mostrado, analise as afirmativas abaixo.
I – A tomada de luz baixa, a 30 cm do piso, é alimentada em 220 V.
II – Todos os pontos de luz são acionados simultaneamente.
III – Os interruptores são do tipo intermediário.
Está correto APENAS o que se afirma em
Sabendo-se que a vazio, a tensão interna do motor é 330 V, então, a velocidade de rotação correspondente, em rpm, é