49 Questões de concurso encontradas
Página 5 de 10
Questões por página:
Questões por página:
Disciplina:
Engenharia Eletrônica
Observe o circuito da Figura 5, que se encontra incialmente descarregado e com a chave S1 aberta e analise as assertivas abaixo: 
I. Trata-se de um circuito oscilador, aplicando sinal senoidal sobre a carga. II. Trata-se de um retificador de meia onda. III. A chave S1, quando fechada, irá reduzir o ripple de tensão sobre a carga. IV. Trata-se de um retificador de onda completa em ponte.
Quais estão corretas?

I. Trata-se de um circuito oscilador, aplicando sinal senoidal sobre a carga. II. Trata-se de um retificador de meia onda. III. A chave S1, quando fechada, irá reduzir o ripple de tensão sobre a carga. IV. Trata-se de um retificador de onda completa em ponte.
Quais estão corretas?
Disciplina:
Engenharia Eletrônica
O circuito da Figura 3 é uma típica aplicação em eletrônica e utiliza um CI conhecido há décadas.

Assinale a alternativa na qual consta a aplicação do circuito e a forma de onda de saída, ilustrada na Figura 4.

Assinale a alternativa na qual consta a aplicação do circuito e a forma de onda de saída, ilustrada na Figura 4.
Disciplina:
Engenharia Eletrônica
Uma montagem feita em protoboard possui dois resistores ligados em paralelo:
• R1: Azul-Azul-Marrom – tolerância: dourado.
• R2: Laranja-Laranja-marrom - tolerância: dourado.
Por questões de espaço, tais resistores deverão ser substituídos pelo valor equivalente do paralelo, que então será:
Disciplina:
Eletricidade
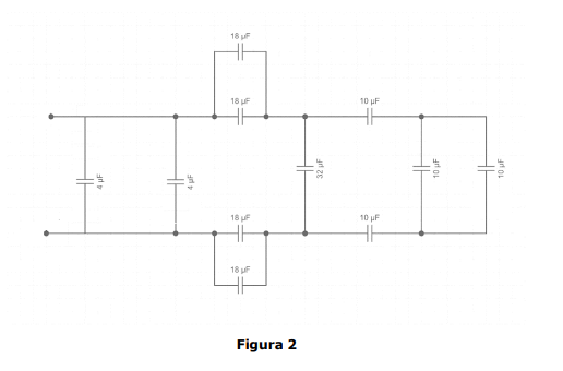
Determine o capacitor equivalente no circuito da Figura 2.

Disciplina:
Engenharia Elétrica
Determine a resistência equivalente no circuito da Figura 1.
