Questões da prova:
CESGRANRIO - 2012 - TRANSPETRO - Técnico de Manutenção Júnior - Elétrica
limpar filtros
60 Questões de concurso encontradas
Página 5 de 12
Questões por página:
Questões por página:
Concurso:
TRANSPETRO
Disciplina:
Engenharia Elétrica
Um eletricista trabalha em linha viva, sendo a tensão de contato igual a 3,0kV.
Para essa tensão, a luva de borracha utilizada pelo eletricista deve ter uma classe de isolamento de, no mínimo,
Para essa tensão, a luva de borracha utilizada pelo eletricista deve ter uma classe de isolamento de, no mínimo,
Concurso:
TRANSPETRO
Disciplina:
Engenharia Elétrica

A figura acima mostra o esquema de acionamento de um motor de indução trifásico de 12 terminais. Os terminais 10, 11 e 12 estão ligados em estrela internamente e, por isso, não aparecem na figura. A sequência de acionamento é a seguinte: inicialmente, são acionados os contatores K1 e K3, em seguida, passado um determinado tempo, sai o contator K3 e entram os contatores K2 e K4.
De acordo com as informações apresentadas, o esquema de acionamento descrito desse motor é o de uma chave
De acordo com as informações apresentadas, o esquema de acionamento descrito desse motor é o de uma chave
Concurso:
TRANSPETRO
Disciplina:
Engenharia Elétrica

A figura acima mostra um transformador ideal alimentando uma carga cuja impedância é Z2 . A relação de transformação normalizada do transformador é 1:n, conforme indicado na figura.
A impedância equivalente, vista do lado da fonte, em função da impedância Z2 e da relação de transformação, é
A impedância equivalente, vista do lado da fonte, em função da impedância Z2 e da relação de transformação, é
Concurso:
TRANSPETRO
Disciplina:
Engenharia Elétrica

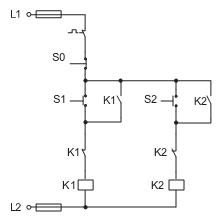
A figura acima mostra o esquema de acionamento de um motor de indução que permite fazer a reversão de rotação desse motor manualmente.
Para que esse esquema funcione, conforme descrito acima, o diagrama do circuito de controle é
Para que esse esquema funcione, conforme descrito acima, o diagrama do circuito de controle é
Concurso:
TRANSPETRO
Disciplina:
Engenharia Elétrica
Um motor de indução é acionado por um inversor de frequência. O eixo do motor é acoplado a uma carga cujo torque é constante para qualquer velocidade de operação do motor. Em uma determinada velocidade de operação, o valor rms e a frequência da tensão de fase aplicada ao motor são 120 V e 40 Hz, respectivamente.
Sabendo-se que, para elevar a velocidade de operação, a frequência da tensão passou para 52 Hz, então, para manter o torque aplicado à carga, o valor, em volts, da tensão gerada pelo inversor é
Sabendo-se que, para elevar a velocidade de operação, a frequência da tensão passou para 52 Hz, então, para manter o torque aplicado à carga, o valor, em volts, da tensão gerada pelo inversor é