Questões da prova:
CESGRANRIO - 2012 - Petrobras - Técnico de Projetos, Construção e Montagem Júnior - Elétrica
limpar filtros
60 Questões de concurso encontradas
Página 7 de 12
Questões por página:
Questões por página:
Concurso:
Petrobras
Disciplina:
Não definido

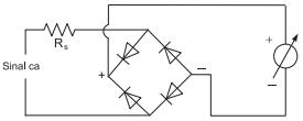
Em um painel de medição de uma sala de controle, existe um voltímetro que monitora a tensão para um conjunto de processadores, e que utiliza um mecanismo do tipo D’Arsonval, com resistência interna de 35 Ω para uma corrente de deflexão máxima da ordem de 2 mA, conforme ilustra a figura.
Supondo que os diodos da ponte retificadora são ideais, o valor do resistor Rs, em ohms, a ser inserido, quando se aplica 20 V ca nos terminais do voltímetro, para que se obtenha deflexão máxima, é tal que
Dados: p = 3,14
√2= 1,41
Concurso:
Petrobras
Disciplina:
Não definido

No diagrama unifilar da figura, os dois geradores ligados em estrela alimentam uma carga de 200 MW com fator de potência igual a 0,8 em atraso, através de um barramento de 13,8 kV. Com um cossímetro (instrumento que mede o fator de potência), verificou-se que o fator de potência do gerador G1 é igual a 0,6 atrasado, e a carga está igualmente distribuída entre ambos os geradores.
A potência reativa do gerador G2 em MVAR é igual a
Concurso:
Petrobras
Disciplina:
Não definido
A lei de Coulomb estabelece que a força entre duas cargas elétricas, Q1 e Q2, é diretamente proporcional ao produto dessas cargas elétricas e inversamente proporcional ao quadrado da distância que as separa. Quando tanto as cargas(statcoulomb) quanto a distância entre elas (centímetro) são expressas no sistema CGS, a constante de proporcionalidade é 1.
Para as cargas Q1 igual a 2 statcoulomb e Q2 igual a 8 statcoulomb, separadas por um distância d igual a 2 cm, a força que atua sobre essas cargas, no sistema MKS, é igual a
Para as cargas Q1 igual a 2 statcoulomb e Q2 igual a 8 statcoulomb, separadas por um distância d igual a 2 cm, a força que atua sobre essas cargas, no sistema MKS, é igual a
Concurso:
Petrobras
Disciplina:
Não definido
Em uma usina hidrelétrica, em horários de pico, ou seja, aumento excessivo da carga, alguma máquina síncrona deverá ser operada como compensador síncrono.
Considere as afirmações a seguir referentes a essa máquina que opera como compensador síncrono.
I - A tensão induzida da máquina é maior do que a tensão do sistema.
II - Há subexcitação do campo.
III - Tal máquina fornece potência reativa.
Está correto APENAS o que se afirma em
Considere as afirmações a seguir referentes a essa máquina que opera como compensador síncrono.
I - A tensão induzida da máquina é maior do que a tensão do sistema.
II - Há subexcitação do campo.
III - Tal máquina fornece potência reativa.
Está correto APENAS o que se afirma em
Concurso:
Petrobras
Disciplina:
Não definido

Uma instalação industrial possui um autotransformador alimentando uma carga com potência nominal igual a 20 kVA, 2.500 / 250 V, conforme o circuito da figura.
Desprezando a corrente de magnetização, a corrente de carga I0 , em ampères, é igual a