Questões da prova:
IBFC - 2013 - PC-RJ - Perito Criminal - Engenharia Elétrica
limpar filtros
100 Questões de concurso encontradas
Página 13 de 20
Questões por página:
Questões por página:
Concurso:
PC-RJ
Disciplina:
Eletricidade
Para o circuito abaixo calcule o valor de v em regime permanente
Concurso:
PC-RJ
Disciplina:
Eletricidade
O teorema “Um sinal limitado em faixa, isto é, que não tem nenhuma componente espectral acima da frequência fm (expressa em Hz), pode ser determinado univocamente por seus valores de amplitude tomados a intervalos uniformes menores ou iguais a 1/(2 fm) segundos” é conhecido como:
Concurso:
PC-RJ
Disciplina:
Eletricidade
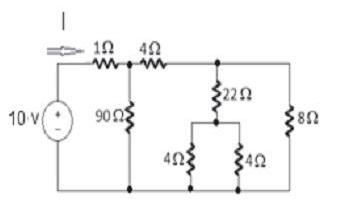
Para o circuito abaixo, determine a resistência equivalente, vista pela fonte, e a corrente I que passa pelo resistor de 1 Ω.
Concurso:
PC-RJ
Disciplina:
Eletricidade
Questão Anulada
Na configuração exibida abaixo, o circuito representa um:
Concurso:
PC-RJ
Disciplina:
Eletricidade
Questão Anulada
A configuração básica mostrada no esquema abaixo representa um: