40 Questões de concurso encontradas
Página 2 de 8
Questões por página:
Analise o circuito apresentado na Figura 11 a seguir:

Com base nas informações apresentadas, analise as assertivas a seguir:
I. O circuito é de um retificador de meia onda.
II. O diodo zener mantém uma tensão constante (Vz = 10 V) na carga R = 10 quilo-ohms de 10 V.
III. A tensão na carga de 10 quilo-ohms é do tipo contínua pulsante.
IV. O capacitor em paralelo com a carga de 10 quilo-ohms realiza filtragem e redução do ripple, estabilizando a tensão na carga, que permanecerá constante e contínua.
Quais estão corretas?
I. Fortalecer as instituições e esclarecer as responsabilidades entre os governos locais, regionais e centrais no que se refere à eletrificação e gestão de energia.
II. Aumentar o valor das tarifas de energia, para gerar uma diminuição do consumo pelas pessoas mais pobres.
III. Desenvolver planos comunitários de energia tais como microrredes de bairros, para permitir que bairros individuais economizem dinheiro e também forneçam energia em caso de perda.
Quais estão INCORRETAS?
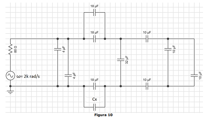
Analise a Figura 10 abaixo:

Com base nas informações apresentadas, determine o valor do capacitor Cx para que a reatância capacitiva do circuito seja de 25 ohms. Considere ω = 2000 rad/s.
Analise o mapa de Karneaugh da função S abaixo:

Com base no mapa apresentado, determine a expressão simplificada.
Sobre os diagramas apresentados, assinale a alternativa correta.