Questões de Concurso
Filtrar
2.358 Questões de concurso encontradas
Página 9 de 472
Questões por página:
Questões por página:
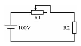
O esquema a seguir representa um circuito elétrico formado por uma fonte ideal que fornece uma diferença de potencial de 100 volts, um reostato R1 cuja resistência elétrica pode ser ajustada no valor de 0 a 300 ohms e um aquecedor R2. Sabe-se que, com o reostato na posição de zero ohms, o aquecedor gera calor e consome do circuito 100 watts de potência elétrica. Com base nesses dados, pode-se afirmar corretamente que se o reostato estiver na posição de 50% da sua resistência, o aquecedor irá consumir ______ watts do circuito.
Obs. Considere que o reostato e o aquecedor são resistores ôhmicos.

Obs. Considere que o reostato e o aquecedor são resistores ôhmicos.

Dois condutores elétricos isolados um do outro, de capacidades eletrostáticas diferentes C1 e C2, estão carregados com diferentes quantidades de carga Q1 e Q2. E, em função desses fatores, adquirem potenciais diferentes (V1 e V2). Se esses condutores forem colocados em contato um com o outro e em seguida afastados novamente, pode-se afirmar que certamente
Três cargas elétricas puntiformes estão no vácuo e dispostas nos vértices de um triângulo retângulo conforme a figura a seguir.
Em função dos valores de distâncias e cargas indicados na figura, assinale a alternativa que indica a intensidade da força eletrostática resultante, em newtons, na carga negativa.
Utilize a constante eletrostática no vácuo k0 = 9 x109 N.m2 /C2

Em função dos valores de distâncias e cargas indicados na figura, assinale a alternativa que indica a intensidade da força eletrostática resultante, em newtons, na carga negativa.
Utilize a constante eletrostática no vácuo k0 = 9 x109 N.m2 /C2

Assinale a alternativa que completa corretamente a frase:
No estudo da ondulatória, de acordo com o princípio de Huygens, cada ponto de uma frente de onda pode ser considerado como uma nova fonte de ondas secundárias. Portanto, pode-se afirmar corretamente que as novas fontes secundárias possibilitam que a onda formada ________________________________.
No estudo da ondulatória, de acordo com o princípio de Huygens, cada ponto de uma frente de onda pode ser considerado como uma nova fonte de ondas secundárias. Portanto, pode-se afirmar corretamente que as novas fontes secundárias possibilitam que a onda formada ________________________________.
Os radares primários de controle de tráfego aéreo funcionam com base no princípio de reflexão das ondas eletromagnéticas. De acordo com esse princípio, uma onda é emitida por uma antena próxima ao local de pouso e essa onda se propaga até o avião, reflete e volta à antena. Supondo o módulo da velocidade de propagação das ondas eletromagnéticas no ar, igual ao módulo da velocidade de propagação da luz no vácuo (v= 300.000km/s), se o intervalo de tempo entre a transmissão e a recepção da onda refletida foi de 1ms (um milisegundo), conclui-se que o avião está a uma distância de ______ km da antena.