Questões da prova:
FADESP - 2025 - UNIFESSPA - Universidade Federal do Sul e Suldeste do Pará - Técnico de Laboratório - Área Automação Industrial (Nível Médio)
limpar filtros
50 Questões de concurso encontradas
Página 2 de 10
Questões por página:
Questões por página:
Disciplina:
Eletrônica
O diagrama de contatos (ladder) usado por um CLP para ligar um motor elétrico utilizando a função “NAND” é mostrado na alternativa:
Disciplina:
Eletrônica
Um Controlador Lógico Programável (CLP)
Disciplina:
Engenharia de Automação
Considere as seguintes afirmativas sobre circuitos com amplificadores operacionais:
I. A realimentação negativa reduz a distorção harmônica.
II. Um amplificador diferencial é o estágio de saída típico de um amplificador operacional.
III. O amplificador de instrumentação com amplificador operacional possui um amplificador somador no estágio de saída.
IV. O amplificador somador tem duas ou mais entradas, com cada entrada amplificada pelo seu ganho de canal e uma única saída contendo a soma das entradas amplificadas.
São verdadeiras as afirmativas
I. A realimentação negativa reduz a distorção harmônica.
II. Um amplificador diferencial é o estágio de saída típico de um amplificador operacional.
III. O amplificador de instrumentação com amplificador operacional possui um amplificador somador no estágio de saída.
IV. O amplificador somador tem duas ou mais entradas, com cada entrada amplificada pelo seu ganho de canal e uma única saída contendo a soma das entradas amplificadas.
São verdadeiras as afirmativas
Disciplina:
Eletrônica
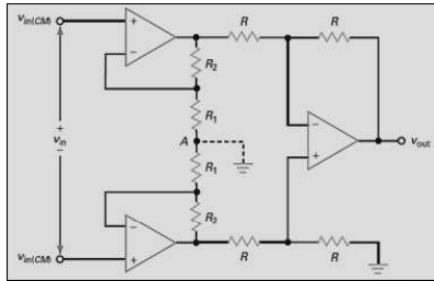
O circuito com três Amplificadores Operacionais na figura abaixo representa um amplificador

Fonte: Eletrônica, Vol.2.8ª edição, Malvino, A.; Bates, D.
Disciplina:
Engenharia Eletrônica
Um circuito com Amplificador Operacional, na configuração de seguidor de tensão, tem largura de banda máxima e ganho